WIRING DIAGRAMS LN 12 N A C L B LN 1234 L1 N4 2 3 A B C LN 123 1 2 3 A B C L1 N4 32 L1 2 3N4 56 L1 N4 L1 N4 A BC 1234 567 LN M 1234 567 M LN AUTO MAN U A B C A C B D Regulators A Fan Terminal Block. A year later in Belgium the assembly of.
The Honda Cb100 Emergency Ignition Switch Kill Button Circuit Diagram Is Provided To Insure Safe Riding And Shutting Off Th Emergency Circuit Diagram Circuit
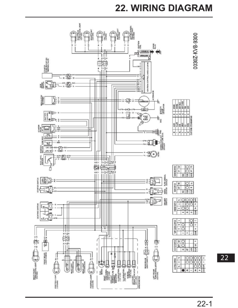
Jul 07 2016 Next post Wiring Diagram Honda Vario 150 Esp.
Wiring diagram vario 150. Honda CA95 150 Benly Electrical Wiring Harness Diagram Schematic 1959 - 1965 HERE. MERCEDES VARIO Wiring Diagrams. Japanese brand Honda is known as one of the largest motorcycle manufacturers.
It reveals the elements of the circuit as streamlined shapes and also the power and signal connections in between the tools. A wiring diagram is a simplified conventional pictorial representation of an electric circuit. AdBlue Tank Level Temperature Sensor.
Nov 21 2017 Wiring Diagram For A 1997 Ford F150 Antique Fuse Box With Fuses Ad6e6 Furnaces Jeanjaures37 Fr. VARIO Catalyst Temperature Sensors Schematics. 1997 ford f 150 wiring schematics and transmission 97 f150 diagram 1998 diagrams under nbn 2002 var radio 1987 schematic 4x4 ao charging it has the dash switch for a harness 2005 alarm fuse box 56 power window f250 motor 99 1973 1979 truck 1990 1995 08.
Low Voltage Wiring Tools Low Voltage Wiring Explained Low Voltage Wiring Permit Low Voltage Wiring Regulations. Some HONDA Motorcycle Manuals PDF. Wiring Diagram Speedometer Vario 125 dan 150 by Sang Arjuna.
In 1961 Honda sold a record number of motorcycles to the industry - 100000 a month. 2004 Ford F-150 Audio Wiring Radio Diagram Schematic Colors. Honda CB72 Hawk 250 Electrical Wiring Harness Diagram Schematic HERE.
If you find any conflicting info please leave a comment with what you found in your Ford F-150. Temperature sensor in front of the catalyst. Jelas semuanya membutuhkan penyesuaian jalur akan speedometer bisa menyala dan berfungsi.
Wiring Diagrams are above the page. Nov 21 2017 Diagram Dodge Viper Wiring Full Version Hd Quality Lewisdiagrams Factoryclubroma It. Temperature sensor after catalyst.
Oct 18 2014 2004 Ford F-150 Radio Audio Wiring. Honda CA125 Rebel CA 125 Electrical Wiring Harness Diagram Schematic HERE. Production starts in Taiwan and an official representative office opens in Germany.
Termasuk banyak biker yang ingin memodif tampilan dashboard mereka. Honda CB77 Super Hawk 300 Electrical Wiring Harness Diagram Schematic HERE. Nov 03 2017 Wiring Diagram Speedometer Honda Vario 150 ini bisa mempermudah ketika sodara ingin mengaplikasikan speedometer motor lain seperti speedometer Beat Street speedometer Satria FU Injeksi sampai dengan speedometer NVL.
SCR module on the frame Euro 4 or Euro 5 B100 1. Vario Range 1506 P - 2309 P 1506 P LL S 2309 P LL S 1506 AR - 2309 AR - 30012 AR - 1506 AR LL S. Salah satu yang paling favorit.
Sep 03 2018 Assortment of 1998 ford f150 radio wiring diagram. Jaman sekarang apapun bisa di modif. Viper 150 esp xcrs 500m 87 bronco page 2 installation instructions dei other 150esp car alarms auto start wiring diagram free honda vario full 5901 500 ford alarm 5000 771xv 08 dodge 3303 550 2000 guide chinese atv 1993 350 plus 2006 2005 chevy 5906v manual 300 automate remote vx ecu starter directed diagrams.
Vintage VW Wiring Diagrams Repairing the wiring on your air-cooled Volkswagen can be one of the most complicated and challenging parts of the restoration process. 125 Amp Sub Panel Wiring Diagram 125 amp sub panel wire size chart 125 amp sub panel wiring diagram Every electrical structure consists of. Oct 26 2020 Wiring Diagram Kelistrikan Vario 125.
VARIO AdBlue Tank Level and Temperature Sensor. If you dont see the audio radio wiring diagram you need comment and we will try to add it ASAP. A wiring diagram is a streamlined traditional photographic depiction of an electrical circuit.
It reveals the elements of the circuit as streamlined forms as well as the power and signal links between the gadgets. 7 Way Trailer Plug Wiring Diagram Ford F 1256 views. SCR module on the frame Euro 4 or Euro 5 B103.
Oct 05 2018 Assortment of 2003 ford f150 radio wiring diagram.
Wiring Diagram Kelistrikan Honda Wiring Diagram Way Contact Way Contact Pennyapp It
Ford E350 Wiring Diagram House Wiring Trailer Light Wiring Electrical Wiring Diagram
Wiring Diagram Of Motorcycle Honda Xrm 110 Bookingritzcarlton Info Motorcycle Wiring Electrical Wiring Diagram Electrical Diagram
Tao Tao 110 Wiring Diagram Chromatex Taotao Atv Diagram Atv
Diagram Wiring Diagram Honda Vario 150 Esp Full Version Hd Quality 150 Esp Ezcarwiring Digitalconsultingnetwork Fr
Wiring Diagram Of Motorcycle Honda Xrm 125 Bookingritzcarlton Info Motorcycle Wiring Honda Motorcycles Electrical Wiring Diagram
Yc 5002 Yamaha Yfm350 Wiring Diagram Free Diagram Yamaha V Star Yamaha Diagram
Vn800 Wiring Diagram Kawasaki Vulcan Forum Vulcan Forums Kawasaki Vulcan 800 Kawasaki Vulcan Vulcan
Https Encrypted Tbn0 Gstatic Com Images Q Tbn And9gcrancnosrbkqttcw8qgn9tnzrjmdqbz1rkqdaaemrg O0c91np7 Usqp Cau
110 Cc Atv Five Wire Cdi Diagram 110cc Chinese Quad Wiring Diagram Wiring Diagram Roy Evans Motorcycle Wiring 150cc Go Kart 150cc Scooter
Kinetic Honda Wiring Diagram Http Bookingritzcarlton Info Kinetic Honda Wiring Diagram Chinese Scooters 150cc Electrical Diagram
Electrical Wiring Diagram Of Motorcycle Http Bookingritzcarlton Info Electrical Wiring Diagra Electrical Diagram Motorcycle Wiring Electrical Wiring Diagram
Pedoman Perbaikkan Sepeda Motor Honda Vario Berisi Pedoman Perbaikkan Mesin Injeksi Sepeda Motor Honda Vario Honda Motor Honda Motor
Toyota Rav4 Wiring Diagrams Car Electrical Wiring Diagram
Wiring Diagram Kelistrikan Honda Wiring Diagram Way Contact Way Contact Pennyapp It
Electrical Wiring Diagram Of Motorcycle Bookingritzcarlton Info Electrical Wiring Diagram Motorcycle Wiring Electrical Diagram
Toyota Rav4 Wiring Diagrams Car Electrical Wiring Diagram
Diagram Bmw Wiring Diagram E34 Full Version Hd Quality Diagram E34 Dhdiagram Romeorienteering It
Wiring Diagram Kelistrikan Honda Wiring Diagram Way Contact Way Contact Pennyapp It
Diagram Wiring Diagram Vario 125 Old Full Version Hd Quality 125 Old Coastdiagramleg Cstem It
Wiring Diagram Beat Pgm Fi 1984 700r4 Lockup Wiring Diagram Begeboy Wiring Diagram Source
2004 Subaru Outback Wiring Diagram In 2021 Motorcycle Wiring Yamaha Engines Yamaha
Diagram 2001 Tahoe Radio Wiring Diagram Full Version Hd Quality Wiring Diagram Coastdiagramleg Tickit It
Wiring Diagram Honda Beat Pgm Fi
Toyota Rav4 Wiring Diagrams Car Electrical Wiring Diagram
Wiring Diagram Of Motorcycle Bookingritzcarlton Info Motorcycle Wiring Chinese Scooters Electrical Wiring Diagram
Wiring Diagram For Electric Scooter Bookingritzcarlton Info 150cc Scooter Electrical Wiring Diagram Chinese Scooters
Gambar Mobil Panther Tahun 1998 Fuse Box Isuzu Panther Data Wiring Diagram Download Isuzu Panther Mobilkamu Download Jual Beli Mob Mobil Panther Gambar
Tr1 Xv1000 Xv920 Wiring Diagrams Manfred S Tr1 Page All About Yamaha Tr1 Xv1000 Xv920 Yamaha Virago Buick Lesabre Yamaha
Diagram Wiring Diagram Vario 125 Old Full Version Hd Quality 125 Old Coastdiagramleg Cstem It
2001 F150 Starter Wiring Diagram Wiring Database Layout File Pump File Pump Pugliaoff It
Wiring Diagram Kelistrikan Honda Wiring Diagram Way Contact Way Contact Pennyapp It
Diagram 2001 Tahoe Radio Wiring Diagram Full Version Hd Quality Wiring Diagram Coastdiagramleg Tickit It
Engine Diagram Santro Xing Plus
Wiring Diagram Kelistrikan Honda Wiring Diagram Way Contact Way Contact Pennyapp It
Toyota Rav4 Wiring Diagrams Car Electrical Wiring Diagram
Wiring Diagram Honda Beat Pgm Fi
Diagram 2001 Tahoe Radio Wiring Diagram Full Version Hd Quality Wiring Diagram Coastdiagramleg Tickit It
Diagram Bmw Wiring Diagram E34 Full Version Hd Quality Diagram E34 Dhdiagram Romeorienteering It





